Pemancar tekanan diferensial kapasitif merupakan perangkat penting dalam instrumentasi industri modern dan otomatisasi proses . Pemancar ini menggunakan teknologi penginderaan kapasitif canggih untuk mengukur tekanan diferensial, gauge, dan absolut dengan presisi tinggi dan stabilitas jangka panjang. Tidak seperti sensor tekanan mekanis tradisional, pemancar ini tidak memiliki mekanisme transmisi mekanis bergerak , sehingga ringkas, tahan lama, dan sangat tahan terhadap getaran. Penyesuaian zero dan span yang independen memastikan akurasi tanpa interferensi, sehingga berkontribusi pada penggunaannya yang luas di berbagai industri.

Di Tiongkok, banyak kota telah memperkenalkan lini manufaktur dari perusahaan Amerika Rosemount , yang memproduksi berbagai model untuk pengukuran tekanan diferensial , tekanan gauge , dan tekanan absolut . Beberapa unit juga dilengkapi ekstraksi akar kuadrat untuk pengukuran aliran , serta versi yang dirancang untuk aplikasi tekanan statis tinggi dan tekanan diferensial mikro .
Pemancar tekanan diferensial kapasitif biasanya terdiri dari dua unit utama: bagian pengukuran dan bagian konversi/amplifikasi , seperti yang ditunjukkan pada Gambar 1 .

Gambar 1: Diagram Rangkaian Pemancar Tekanan Diferensial Kapasitif
1—Osilator 2—Sensor kapasitif 3—Demodulator 4—Penyesuaian rentang 5—Pembatas arus
6—Penguat daya 7—Penguat operasional 8—Penyesuaian nol dan migrasi nol
9—Penguat kontrol osilasi 10—Sumber tegangan referensi 11—Pengatur tegangan 12—Perlindungan pembalikan polaritas
Sensor kapasitif mengubah tekanan diferensial yang terukur (ΔP) menjadi perubahan kapasitansi. Kapasitor diferensial tinggi dan rendah, C H dan C L , dieksitasi oleh osilator frekuensi tinggi . Variasi arus yang dihasilkan didemodulasi untuk menghasilkan sinyal diferensial ( i L − i H ) dan sinyal mode umum ( i L + i H ).
Sinyal diferensial dibandingkan dengan sinyal umpan balik ( I f ), kemudian diperkuat dan diubah menjadi keluaran DC 4-20 mA . Arus keluaran ini mengalir melalui resistansi beban dan jaringan umpan balik, mempertahankan hubungan linear antara sinyal diferensial dan arus keluaran.
Sensor kapasitif terdiri dari pelat elektroda tetap dan diafragma pengukur yang dapat digerakkan, membentuk dua kapasitor ( C H dan C L ) yang terhubung ke ruang bertekanan tinggi dan rendah. Ketika tekanan diferensial diterapkan, diafragma akan membelok, mengubah kapasitansi. Osilator frekuensi tinggi (biasanya 32 kHz) mengubah perubahan kapasitansi ini menjadi variasi arus, yang diperkuat dan disearahkan untuk menghasilkan sinyal DC 4-20 mA yang sebanding dengan tekanan diferensial ΔP yang diterapkan.
Ketika pemancar digunakan untuk pengukuran aliran —seperti dengan pelat orifis, tabung venturi, atau nosel —sinyal dilewatkan melalui ekstraktor akar kuadrat untuk mendapatkan hubungan linear dengan laju aliran. Perangkat ini beroperasi pada sistem dua kawat 24 V DC , mendukung tegangan suplai 12–45 V DC dan resistansi beban hingga 600 Ω .
Sensor tekanan diferensial kapasitif dua ruang ditunjukkan pada Gambar 2 .

Gambar 2: Struktur dua ruang sensor tekanan diferensial kapasitif
1, 4—Diafragma isolasi berpola gelombang; 2, 3—Basis baja tahan karat; 5—Lapisan kaca; 6—Film logam; 7—Diafragma pengukur
Dalam struktur ini, lapisan logam (6) bertindak sebagai elektroda tetap, sedangkan diafragma pengukur (7) berfungsi sebagai elektroda bergerak. Kedua sisi diafragma membentuk dua ruang terpisah yang diisi dengan minyak silikon . Fluida tak termampatkan ini mentransmisikan tekanan diferensial Δp = p_H − p_L ke permukaan diafragma.
Ketika Δp = 0, kapasitansi pada kedua sisi ( CH dan CL ) sama. Ketika Δp ≠ 0, diafragma membelok ke arah sisi bertekanan rendah, sehingga CL > CH .
Penggunaan kapasitansi diferensial mengurangi kesalahan yang disebabkan oleh variasi suhu dalam konstanta dielektrik, sehingga meningkatkan sensitivitas, akurasi, dan linearitas —faktor penting dalam kontrol proses industri dan pengukuran tekanan .
Ketika Δp ≠ 0, variasi kapasitansi diilustrasikan pada Gambar 3 .

Gambar 3: Perubahan Kapasitansi di Kedua Sisi Saat Ada Perbedaan Tekanan
Persamaan: 

Untuk diafragma dengan tegangan awal, defleksi sebanding dengan tekanan diferensial: 
Di sini , K₁ adalah konstanta struktural yang bergantung pada kelengkungan diafragma, jarak elektroda, dan tegangan mekanis. Hubungan ini memastikan bahwa arus keluaran berbanding lurus dengan tekanan diferensial yang diterapkan, sehingga menghasilkan akurasi pengukuran yang sangat baik.
Sensor tekanan kapasitif mengubah tekanan diferensial menjadi perubahan kapasitansi proporsional. Pengukuran kapasitansi ini memerlukan eksitasi AC frekuensi tinggi , biasanya sekitar 32 kHz .

Gambar 4: Rangkaian Osilator Gambar 5: Catu Daya Osilator
Rangkaian Osilator (Gambar 4)
Rangkaian ini terdiri dari lilitan (terminal 6, 8 dan 5, 7) dan kapasitor C₂₀ yang membentuk loop resonansi yang terhubung ke transistor VT₁. Resistor bias R₂₉ menentukan titik operasi statis. Frekuensi ditentukan oleh induktansi L dan kapasitansi C.
Catu Daya Osilator (Gambar 5)
Karena pengukuran kapasitansi bergantung pada tegangan AC, tegangan osilator harus tetap stabil . Loop kontrol umpan balik negatif secara otomatis menstabilkan tegangan sekaligus memastikan amplitudo awal yang memadai.

Seperti yang ditunjukkan pada Gambar 6 , rangkaian pembangkit arus kapasitif dan jaringan pembentukan tegangan mempertahankan eksitasi konstan.

Gambar 6: Rangkaian Pembangkit Arus Kapasitif dan Rangkaian Pembentukan Tegangan U₂
Ketika Δp ≠ 0, C_H menurun dan C_L meningkat, dan arus total melalui keduanya dinyatakan sebagai:

Umpan balik otomatis memastikan bahwa I L + I H = K₂ (suatu konstanta), menjaga stabilitas tegangan dan sensitivitas yang konsisten.
Pada rangkaian pembangkit arus kapasitif: ![]()
![]()
![]()
Mengganti hubungan sebelumnya: 
Arus keluaran total: ![]()
Dengan demikian, sinyal keluaran 4-20 mA dari pemancar tekanan diferensial kapasitif berbanding lurus dengan tekanan diferensial yang diterapkan.
Perangkat ini juga menyediakan penyesuaian nol , kalibrasi jangkauan , dan perlindungan polaritas terbalik , memastikan operasi yang stabil dan aman dalam sistem pengukuran tekanan industri .
Pemancar tekanan Seri SH yang diproduksi oleh silverinstrumens.com adalah pemancar tekanan dua kawat 4-20 mA yang banyak digunakan, dirancang untuk lingkungan yang aman secara intrinsik dan tahan ledakan .
Spesifikasi Utama

Gambar 7: Hubungan antara Tegangan Catu Daya dan Resistansi Beban
Ketika tegangan suplai berfluktuasi sebesar ±1 V, variasi arus keluaran tetap di bawah 0,005%, memastikan stabilitas sinyal dan akurasi tinggi .
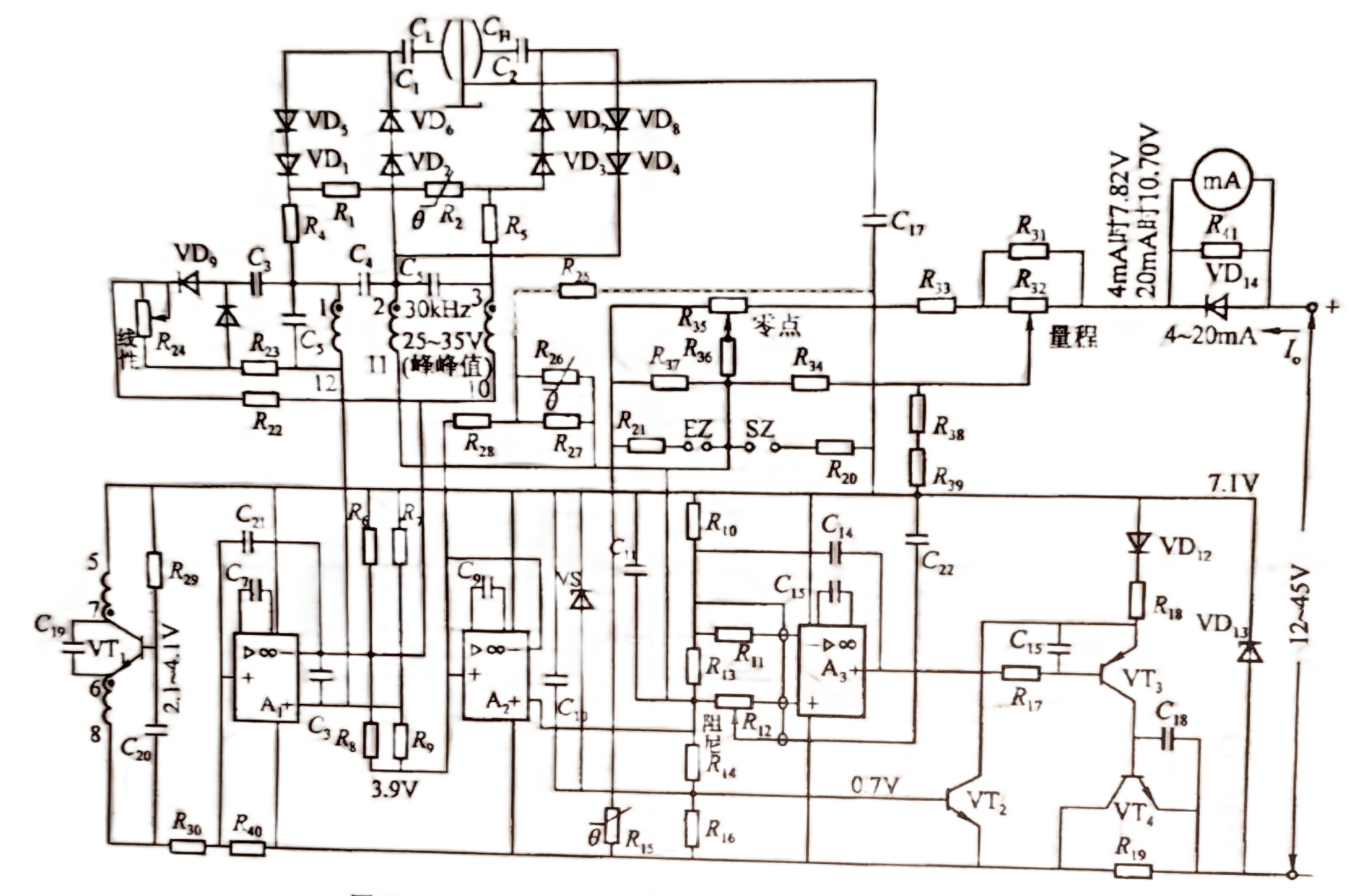
Rangkaian keseluruhan pemancar tekanan diferensial SHGP/SHDP ditunjukkan pada Gambar 8

Gambar 8: Desain Sirkuit Pemancar Tekanan Kapasitif Model Seri SH/DP
Komponen dan Fungsi Utama:
Elemen-elemen ini memastikan kinerja yang tepat dan stabil di berbagai kondisi industri, menjadikan Seri SHGP/SHDP salah satu pemancar tekanan diferensial kapasitif yang paling andal untuk kontrol proses dan instrumentasi di seluruh dunia.
Pemancar Tekanan Rendah
2025/10/12
Pemancar tekanan rendah: 16-60 mbar. Akurasi tinggi: ±0,1~0,5% Protokol Hart, keluaran 4-20mA. Tampilan digital mbar,psi,pa.
VIEW
Sensor Tekanan Keramik
2025/10/12
Sensor tekanan kapasitif keramik. Sensor tahan terhadap pencucian dan abrasi. Keluaran sensor tekanan 4-20mA. Untuk industri pulp dan kertas.
VIEW
Sensor tekanan kapasitif 3351
2025/10/12
Sensor tekanan kapasitif atau sensor tekanan diferensial 3351; Akurasi: ± 0,1%; 0-40Mpa;
VIEW
Pemancar Tekanan Seri SH 308
2025/10/12
Biaya tekanan piezoresistif rendah; Transduser tekanan tinggi maks 10000 PSI; Disetujui ATEX
VIEW
Pemancar Tekanan dengan Segel Diafragma Jarak Jauh
2025/10/12
Diafragma jarak jauh untuk cairan korosif atau kental. Pemancar DP atau Pemancar Tekanan. 316L,HC, Tan, Diafragma Monel.
VIEW
Pemancar Tekanan dan DP dengan Diafragma Flange
2025/10/12
Pemancar diafragma flensa. Untuk tekanan, level atau DP; Pemancar digital dengan layar LCD; HART, 4-20mA atau MOUBUS;
VIEW